MLT-8540 - SMD电磁无源蜂鸣器
1.测试条件
AG真人平台·产品测试条件:温度:5~35℃, 湿度:45%~85%R.H., 气压:860 ~1060hPa。
标准测试条件:温度:25±3℃, 湿度:60±10%R.H. 气压:860 ~1060hPa
| 1 | 额定电压(Vo-p) | 3.6Vo-p |
| 2 | 工作电压(Vo-p) | 2.5~4.5 Vo-p |
| 3 | 额定电流 (mA) | Max.80mA ,at 2700Hz 50% duty Square Wave 3Vo-p |
| 4 | 输出音压 (dB) | Min. 85dB,at 2700Hz 50% duty Square Wave 3Vo-p |
| 5 | 电阻(Ω) | 16±3Ω |
| 6 | 谐振频率(Hz) | 2700Hz |
| 7 | 工作温度(℃) | -20℃~+70℃ |
| 8 | 储存温度(℃) | -40℃~+85℃ |
| 9 | 净重(g) | Approx 0.5g |
| 10 | 环保 | Yes |
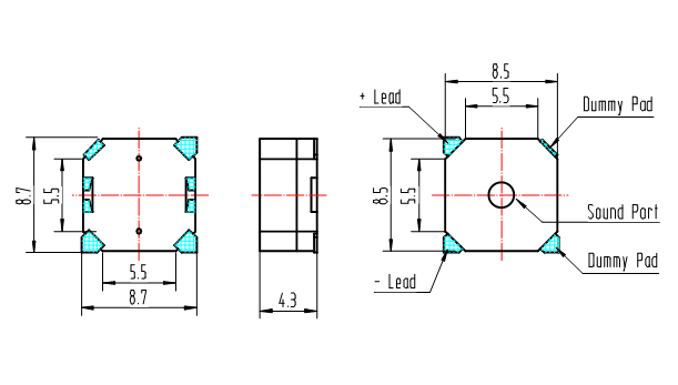
2.尺寸图 单位: mm

*基本公差: 除特殊注明外,一般公差为±0.3mm
*外壳材料: Black LCP
*端子焊盘: 3个黄铜镀锡焊盘
3.电性能及声音测试条件
测试电路 测试装置


谐振频率是占空比为50% 的方波,信号电压要足够让晶体管饱和工作。
4.频响曲线

在3.6Vo-p占空比为50%的方波,测试距离为10cm的条件
5.回流焊条件
5.1 回流焊曲线图
注意事项: (1) AG真人平台·产品经过回流焊机后,所有电性能要保持在规格书的范围内。
(2)回流焊的操作温度一定要在推荐范围之内。如果超出范围都有可能影响到AG真人平台·产品的性能。
5.2 焊盘位置

6.可靠性测试
在下面任何一项测试后都要符合以下标准,外观和电性能(除声压外)上不能有不良或衰减现象出现,声压不能低于规格说明书的最低声压的10dB。
6.1 寿命测试
将测试件置于25±10℃的温度下,输入额定电压、占空比为1/2的谐振频率方波测试96小时。
6.2 高温测试
将测试件置于+85℃的温度下存放96小时,取出置于常温下3小时而后测试。
6.3 低温测试
将测试件置于-40℃的温度下存放96小时,取出置于常温下3小时而后测试。
6.4 湿度测试
将测试件置于温度+40±3℃,湿度90%~95%的条件下持续48小时,再置于室温下6小时而后测试。
6.5 温度冲击测试
将测试件置于以下温变条件下:70℃2小时→-20℃2小时(1周期),做完一个周期实验,过1个小时后再继续下一次实验,总测试周期数: 10个周期。
6.6 落地测试
将测试件标准包装后(包装盒的3个边6个面)从1.2米的高度下跌落到厚木板或5厘米厚的硬木板上。
6.7 机械振动测试
按以下条件实验后再测试:振速:1000次/分;振幅:1.5毫米;时间: 1小时更换一个自由度方向共3个自由度方向。
注意:
需避免无关材料进入AG真人平台·产品内,无关材料如:磁性材料、水溶性的材料、腐蚀性的气体等。因为这些无关材料将会影响AG真人平台·产品的电性能。
7.包装






